武汉大雨过后如何解决钢结构厂房彩钢瓦渗漏水防水治理
钢结构厂房建造材料选用低档的板材和防水涂料,在长期环境作用(温度、阳光、化学及生物作用)下,开始出现老化、开裂等现象。久而久之防水性能失效,屋面开始渗漏。
PART
01
钢结构厂房渗漏调查
针对某64500平方米钢结构厂房工程中,屋面、外墙渗漏问题实地进行了统计:

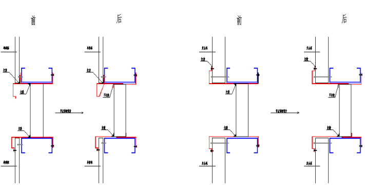
① 包边件处未压胶

② 整檩条下墙体不平

③屋面板搭接不合理
④天沟生锈
问题调查表
根据数据统计,影响钢结构厂房为结构抗渗漏的主要原因中,墙体、屋面的钢板各类问题占比更高。
由以上分析得出影响钢结构厂房围护系统防风雨性能的主要原因是:
PART
02
改善及处理对策
针对三大主要原因,可以针对性的制定对策解决:
按照厂房实际情况进行合理设计,使包边处及窗户四周不渗水,具体如下:
1.按规范并结合实际情况进行设计;

屋面彩钢板采用高耐腐蚀、防水性能好的—宝钢PVDF氟碳彩涂板。
宝钢氟碳彩涂板在环境条件非常恶劣、腐蚀情况严重的场所比起普通的聚酯彩涂板更具有明显优势。可广泛应用于酸洗车间、火电厂、制药厂、畜牧养殖及沿海地区等,是真正具备20年质保的彩涂钢板。
根据市场调研,压型选择防水性能更好的板型,如:760型现场复合板、475型彩钢板、675型彩钢板,咬合360°至少180°,这些板型几乎没有漏水现象。
选用西卡渗耐—满粘系统(FA syestem)
优点:适合板型简单屋面/适合屋面设备较多的屋面
选用优质的宝钢镀铝锌钢板,在后期的使用和维护过程中却很便宜,保证建筑的完美形象。
依据产品的用途、使用环境、设计年限、结构成型以及客户的独特需求,个性化定制。
既满足客户的个性化需求,又让终端用户降低了真实使用成本。
①超强耐腐蚀性
■镀铝锌板利用了铝的氧化膜遮盖保护作用与锌对铁的电化学保护作用,有更好的防腐性能。
②抗高温氧化
■室外曝光:镀铝锌板,镀层附着量150g/m2;热镀锌板,镀层附着量275g/m2
红线为热镀锌板,绿线为镀铝锌板;横坐标为试验时间(年),纵坐标为腐蚀厚度(μm)
镀铝锌板具有有高度的热反射率,可用于达315度的高温环境。
③使用寿命长达20年
■根据相关实验数据AZ150镀铝锌钢结构在一般环境下使用寿命可达75年以上,一般民用永久性建筑国家行业标准寿命要求为均为50年。
PART
03
实际效果检查
目标:钢结构厂房维护结构的渗漏点降至1点/2500㎡
1.厂房渗漏率数值(单位:点/m²)
通过现场检查,厂房细部设计更加合理,包边件及窗户四周未发现渗水现象。
包边件处密封胶已打严密,开裂数量减少,达到了好的防渗漏效果。
杜绝了由于施工问题引起的渗漏。
保证了钢结构厂房的施工质量,提高了整体工程质量,提升了施工企业的质量美誉度,保障业主厂房使用体验。
来源: 武汉堵漏补漏网








